Web Analytics Made Easy - Statcounter
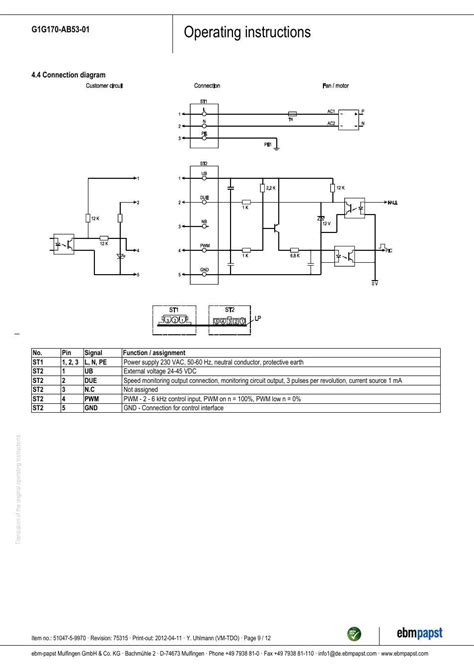
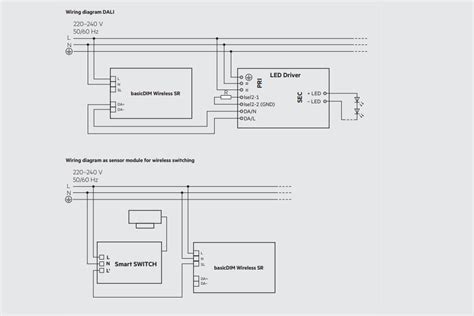
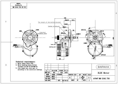
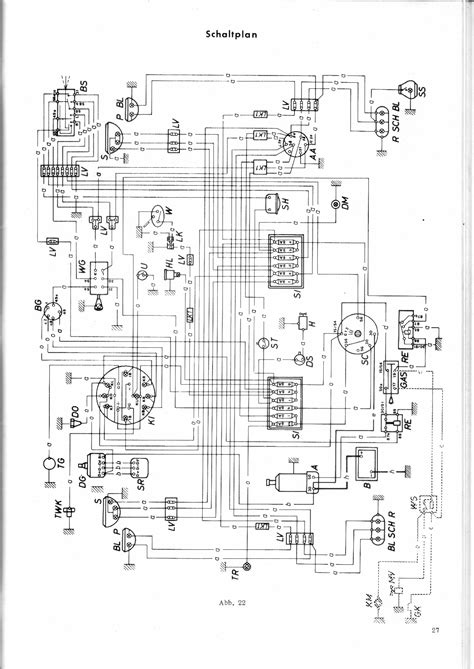
Wiring Diagram for Actuator: Master Your Automation System!

Wiring Diagram for Actuator: Master Your Automation System!

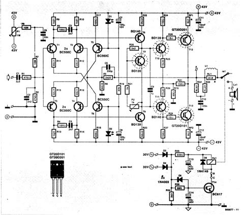
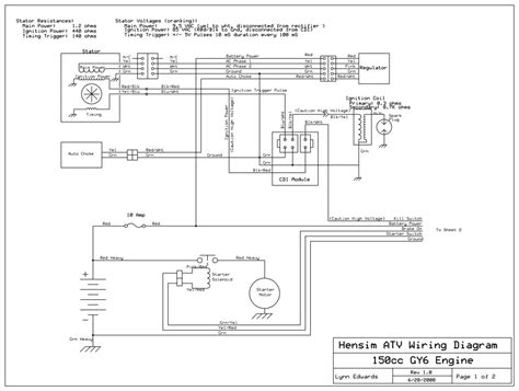
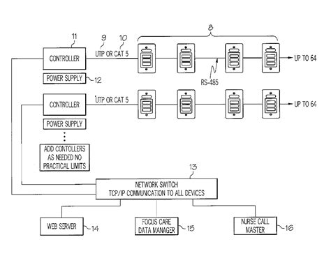
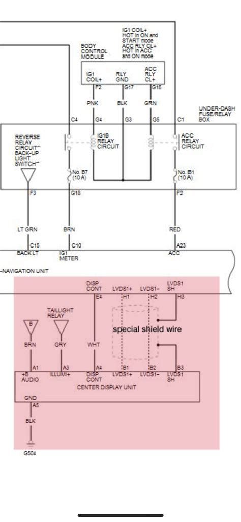
Wiring Diagram for Actuator: Master Your Automation System! [diagram] 12 volt actuator wiring diagram schematic